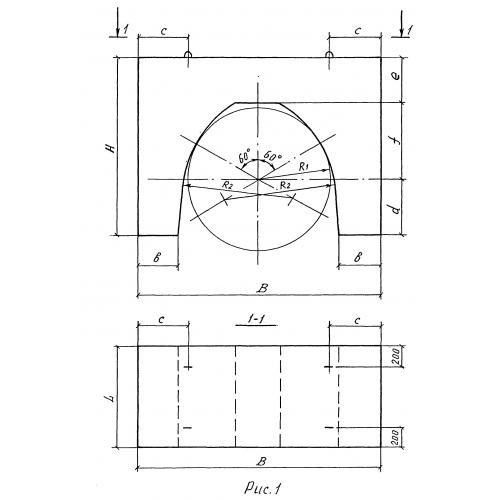
УБКм 325 Утяжелители

Чертеж изделия:
Характеристики изделия:
ПараметрЗначение
длина400 мм
ширина785 мм
высота580 мм
масса320 кг
нормативный документТУ 102-421-86

УБКм 325 Утяжелители болотные клиновидные модифицированные по  ТУ 102-421-86.