Д 35-35

Чертеж изделия:
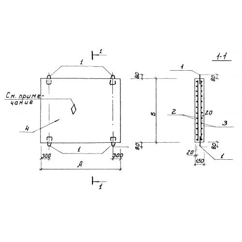
Характеристики изделия:
ПараметрЗначение
длина4000 мм
ширина4000 мм
высота150 мм
масса6000 кг
нормативный документТП 901-09-11.84

Д 35-35 Плиты днища по Типовому проекту ТП 901-09-11.84.