ПСТ 60.21.25

Чертеж изделия:
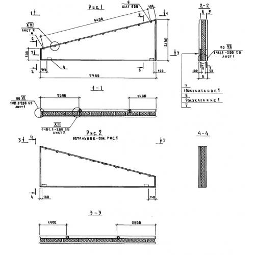
Характеристики изделия:
ПараметрЗначение
длина5980 мм
ширина250 мм
высота2100 мм
вес2500 кг
Шифр1481

ПСТ 60.21.25  Панели стеновые трехслойные по Шифру 1481.