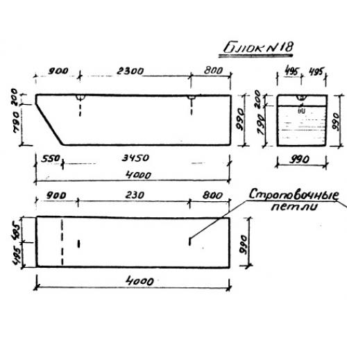
Блок №18

Чертеж изделия:
Характеристики изделия:
ПараметрЗначение
длина4000 мм
ширина990 мм
высота990 мм
вес8900 кг
нормативный документСерия 3.501.1-135

Блок №18  Блоки фундамента Серия 3.501.1-135.