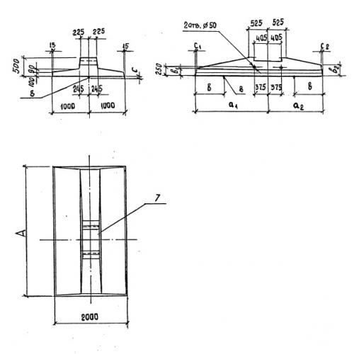
П 2-2.3 Плита

Чертеж изделия:
Характеристики изделия:
ПараметрЗначение
длина2300 мм
ширина2000 мм
высота500 мм
масса2400 кг
нормативный документСерия 3.407.1-144

П 2-2.3 Плиты фундаментов по Серии 3.407.1-144.