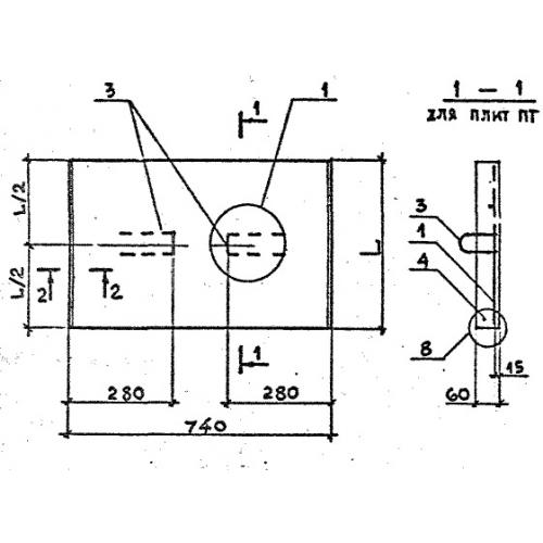
ПТ 75.30.6 плиты лотков

Чертеж изделия:
Характеристики изделия:
ПараметрЗначение
длина740 мм
ширина280 мм
высота60 мм
масса30 кг
нормативный документСерия 3.006.1-8

ПТ 75.30.6  Плиты перекрытий каналов Серия 3.006.1-8.