ПТ 75.180.20 плиты лотков

Чертеж изделия:
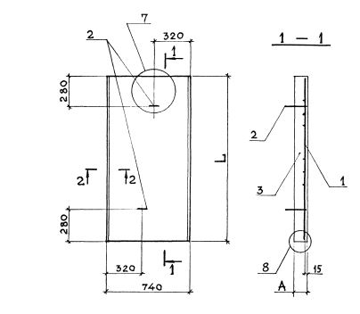
Характеристики изделия:
ПараметрЗначение
длина740 мм
ширина1780 мм
высота200 мм
масса650 кг
нормативный документСерия 3.006.1-8

ПТ 75.180.20  Плиты перекрытий каналов Серия 3.006.1-8.