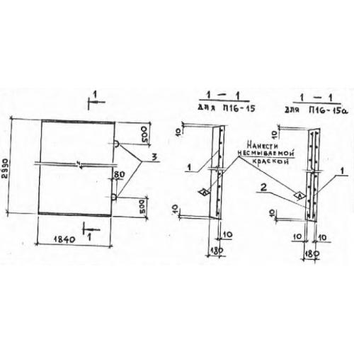
П 16/2 плиты лотков

Чертеж изделия:
Характеристики изделия:
ПараметрЗначение
длина1495 мм
ширина1840 мм
высота180 мм
масса1240 кг
нормативный документСерия 3.006.1-2/87

П 16/2 Плиты перекрытия лотков Серия 3.006.1-2/87.