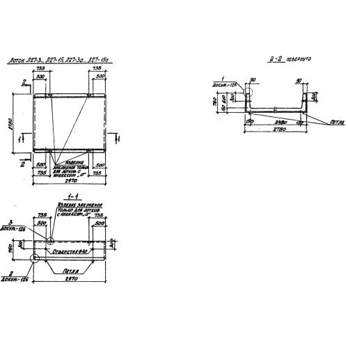
Л 27/2 лотки

Чертеж изделия:
Характеристики изделия:
ПараметрЗначение
длина2970 мм
ширина2780 мм
высота760 мм
масса4430 кг
нормативный документСерия 3.006.1-2/87

Л 27/2 Лотки теплотрасс Серия 3.006.1-2/87.