П 8

Чертеж изделия:
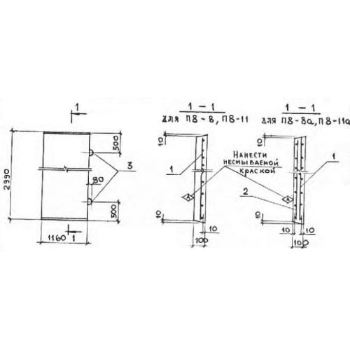
Характеристики изделия:
ПараметрЗначение
длина2990 мм
ширина1160 мм
высота100 мм
масса870 кг
нормативный документСерия 3.006.1-2/82

П 8  Плиты перекрытия лотков Серия 3.006.1-2/82.