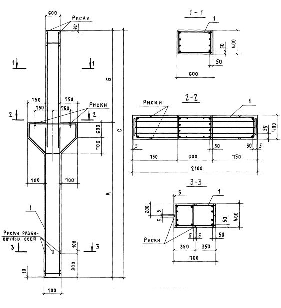
К 84

Чертеж изделия:
Характеристики изделия:
ПараметрЗначение
длина9450 мм
ширина400 мм
высота2100 мм
масса7600 кг
нормативный документСерия 1.424.1-5

К 84  Колонны средние Серия 1.424.1-5.