К колонны

Чертеж изделия:
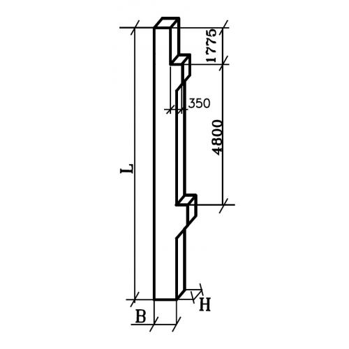
Характеристики изделия:
ПараметрЗначение
длина11225 мм
ширина600 мм
высота400 мм
масса6600 кг
нормативный документСерия 1.420-12

К  Колонны Серия 1.420-12.