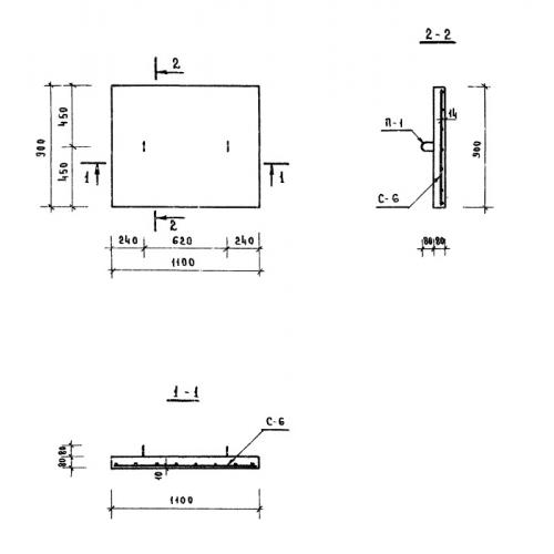
ПТП 11.9

Чертеж изделия:
Характеристики изделия:
ПараметрЗначение
длина1100 мм
ширина900 мм
высота80 мм
вес198 кг
серия1.243-2

ПТП 11.9 Плиты плоские по серии 1.243-2.