П 36.54.12

Чертеж изделия:
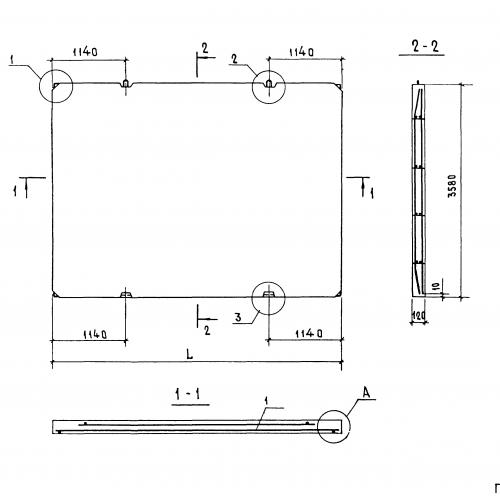
Характеристики изделия:
ПараметрЗначение
длина5380 мм
ширина3580 мм
высота120 мм
вес5780  кг
серия1.143.1-7

П 36.54.12 Плиты перекрытий по серии 1.143.1-7.