ПБ 36-5

Чертеж изделия:
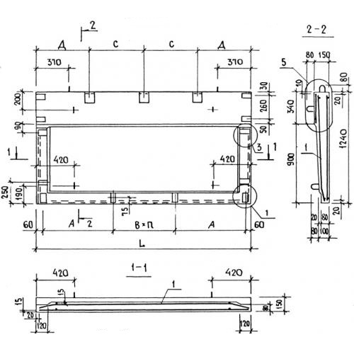
Характеристики изделия:
ПараметрЗначение
длина3590 мм
ширина1240 мм
высота150 мм
масса1300 кг
нормативный документСерия 1.137-3

ПБ 36-5  Плиты балконные Серия 1.137-3.