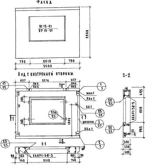
НР1-36.29.4-3

Чертеж изделия:
Характеристики изделия:
ПараметрЗначение
Длина3590 мм
Ширина400 мм
Высота2900 мм
Масса3960 кг
Нормативный документСерия 1.132-1

НР1-36.29.4-3   Наружная стеновая панель рядовая по Серии 1.132-1.