ЛП 17-1

Чертеж изделия:
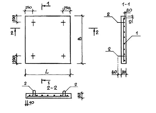
Характеристики изделия:
ПараметрЗначение
длина1490 мм
ширина1690 мм
высота80 мм
масса500 кг
нормативный документСерия 1.050.9-4.93

ЛП 17-1  Площадочные плиты Серия 1.050.9-4.93.