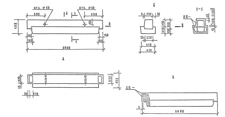
РОП 4.27 ригели

Чертеж изделия:
Характеристики изделия:
ПараметрЗначение
длина2660 мм
ширина432 мм
высота450 мм
масса950 кг
нормативный документСерия 1.020.1-7

РОП 4.27  Ригели (оснащённые  двумя разными по ширине полками, для опоры перекрытия с одной стороны) Серия 1.020.1-7.