4КД 3.28(33)

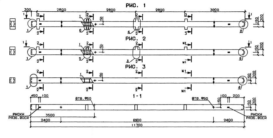
Чертеж изделия:
Характеристики изделия:
ПараметрЗначение
длина11700 мм
ширина300 мм
высота600 мм
масса2990 кг
нормативный документСерия 1.020.1-3пв

4КД 3.28(33)  Колонны двухконсольные Серия 1.020.1-3пв.