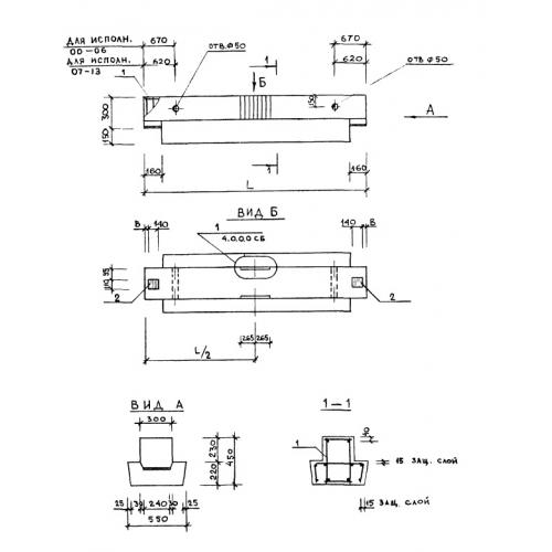
РДП 4.26

Чертеж изделия:
Характеристики изделия:
ПараметрЗначение
длина2560 мм
ширина550 мм
высота450 мм
масса1100 кг
нормативный документСерия 1.020-1

РДП 4.26  Ригели с двумя полками  Серия 1.020-1.