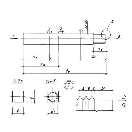
С 7-30

Чертеж изделия:
Характеристики изделия:
ПараметрЗначение
длина7000 мм
ширина300 мм
высота300 мм
вес1550 кг
серия1.011.1-7

С 7-30 Свая составная верхняя квадратного сплошного сечения по серии 1.011.1-7.