ТМ 9

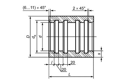
Чертеж изделия:
Характеристики изделия:
ПараметрЗначение
длина220 мм
ширина533 мм
высота533 мм
масса39,4 кг
нормативный документГОСТ 31416-2009

ТМ 9   Муфты хризотилцементные для напорных теплопроводов ГОСТ 31416-2009.