4ФС 18
Характеристики изделия:
| Параметр | Значение |
|---|---|
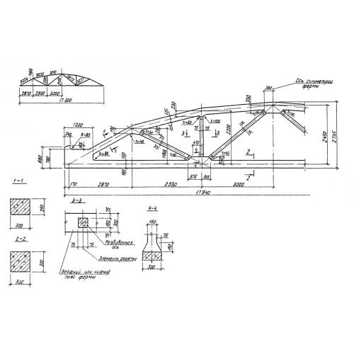
| длина | 17940 мм |
| ширина | 300 мм |
| высота | 2437 мм |
| масса | 9400 кг |
| нормативный документ | ГОСТ 20213-89 |
Цена:
Рассчитать стоимость4ФС 18 Фермы раскосные сегментные ГОСТ 20213-89.
| Параметр | Значение |
|---|---|
| длина | 17940 мм |
| ширина | 300 мм |
| высота | 2437 мм |
| масса | 9400 кг |
| нормативный документ | ГОСТ 20213-89 |
4ФС 18 Фермы раскосные сегментные ГОСТ 20213-89.
