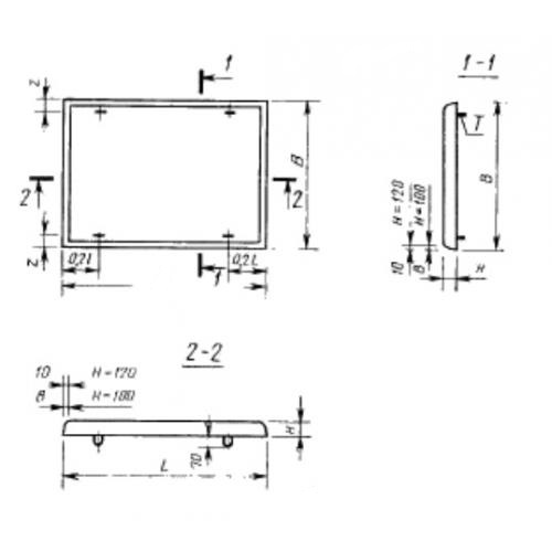
1П 7.14.12 плиты покрытия трамвайных путей
Характеристики изделия:
| Параметр | Значение |
|---|---|
| длина | 680 мм |
| ширина | 1390 мм |
| высота | 120 мм |
| масса | 280 кг |
| нормативный документ | ГОСТ 19231.0(1)-83 |
Цена:
Рассчитать стоимость1П 7.14.12 Плиты покрытия трамвайных путей ГОСТ 19231.0(1)-83.
